黒継手・ストリートエルボ<SLーBK>
- 商品説明
-
【仕様】
流体:300℃以下の油・空気・ガス1.0MPa、120℃以下の清流水2.5MPa
【材質】
FCMB275-5相当
表面処理:溶融亜鉛メッキ
ねじ:JIS B 0203相当(GB/T 7306)
【生産国】中国 - 詳細
-
●材料は黒心可鍛鋳鉄で、管用テーパねじ加工しています。
●適用流体は水・油・空気・ガスです。
●海外調達品(ツビオ) - 詳細情報
-
メーカー FLOBAL/フローバル
※図面ダウンロードボタンが表の右端にあります。
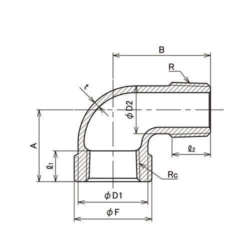
| 商品コード | 型式 | 呼び径(B)R、Rc | A | B | ΦD1 | CAD図面 |
|---|---|---|---|---|---|---|
| 00922848 | SL-02-黒 | 1/4 | 20 | 28 | 19 | ダウンロード |
| 00922849 | SL-03-黒 | 3/8 | 25 | 33 | 22 | ダウンロード |
| 00922850 | SL-04-黒 | 1/2 | 28 | 38 | 27.2 | ダウンロード |
| 00922851 | SL-06-黒 | 3/4 | 33 | 44 | 33 | ダウンロード |
| 00922852 | SL-08-黒 | 1” | 38 | 52 | 40 | ダウンロード |
| 00922853 | SL-10-黒 | 1”1/4 | 45 | 60 | 49.6 | ダウンロード |
| 00922854 | SL-12-黒 | 1”1/2 | 50 | 65 | 55.6 | ダウンロード |
| 00922855 | SL-16-黒 | 2” | 58 | 74 | 68.6 | ダウンロード |
| 00922856 | SL-20-黒 | 2”1/2 | 69 | 90 | 84.8 | ダウンロード |
| 00922857 | SL-24-黒 | 3” | 77.5 | 100 | 98 | ダウンロード |
| 00922858 | SL-32-黒 | 4” | 96.5 | 120 | 125 | ダウンロード |
弊社納入図面および図面表紙のダウンロードは、以下の使用条件に同意頂いた場合にのみご利用頂けます。記載内容は必ずお読みください。
使用条件
- 納入図面は、弊社の「総合カタログ2008」に記載の主にプライベートブランドに対するものです。
- 本ダウンロードサービスデータの著作権および所有権は、フローバル株式会社が所有しております。
- 納入図面および図面表紙は必ずその都度ダウンロードしてご利用ください。再使用のために保管することは絶対にしないでください。
- 納入図面の内容に対し、加筆、追加、削除、訂正その他あらゆる変更修正をすることは一切禁止します。
- 弊社に無断で納入図面および図面表紙を複製すること、またその複製物に対し,加筆、追加、削除、訂正その他あらゆる変更修正をすることは一切禁止します。
- 二次配付はしないでください。
- ダウンロードされたデータをご利用になって発生したトラブルについて、弊社は一切の責任を負いかねます。
- 納入図面は品質向上等の理由により、予告無しに変更することがあります。あらかじめご了承ください。
書類発行おける個人情報の取扱いについて
- 事業者の氏名または名称
フローバル株式会社 - 個人情報保護管理者(若しくはその代理人)の氏名又は職名、所属及び連絡先
個人情報保護管理者:EC・リテール事業部長
電話番号 :0120-453-802(代表) - 個人情報の利用目的
メールアドレスの入力に関しては図面管理のために使用いたします。 - 個人情報の第三者提供について
取得した個人情報は法令等による場合を除いて第三者に提供することはありません。 - 個人情報の取扱いの委託について
取得した個人情報の取扱いの全部又は、一部を委託することはありません。 - 個人情報を与えなかった場合に生じる結果
個人情報を与えることは任意です。個人情報に関する情報の一部をご提供いただけない場合は、お問い合わせ内容に回答できない可能性があります。 - 保有個人データの開示等および問い合わせ窓口について
ご本人からの求めにより、当社が保有する保有個人データに関する開示、利用目的の通知、内容の訂正・追加または削除、利用停止、消去および第三者提供の停止(以下、開示等という)に応じます。 開示等に応ずる窓口は、下記「当社の個人情報の取扱いに関する苦情、相談等の問合せ先」を参照してください。 - 本人が容易に認識できない方法による個人情報の取得
クッキーやウェブビーコン等を用いるなどして、本人が容易に認識できない方法による個人情報の取得は行っておりません。 - 個人情報の安全管理措置について
取得した個人情報については、漏洩、減失または毀損の防止と是正、その他個人情報の安全管理のために必要かつ適切な措置を講じます。 お問合せへの回答後、取得した個人情報は当社内において削除致します。 - 個人情報保護方針
当社ホームページの個人情報保護方針をご覧下さい。 - 当社の個人情報の取扱いに関する苦情、相談等の問合せ先
- 窓口の名称:個人情報問合せ窓口
- 連絡先
- 窓口責任者:総務部責任者
- 住所 :〒550-0005 大阪府大阪市西区西本町1-15-10 辰野西本町ビル14F
- 電話:0120-453-802 (代表) / 06-6536-2679(FAX)
